Home
Power Electronics
Control System Engineering
Home
Power Electronics
Control System Engineering
Davide Bagnara

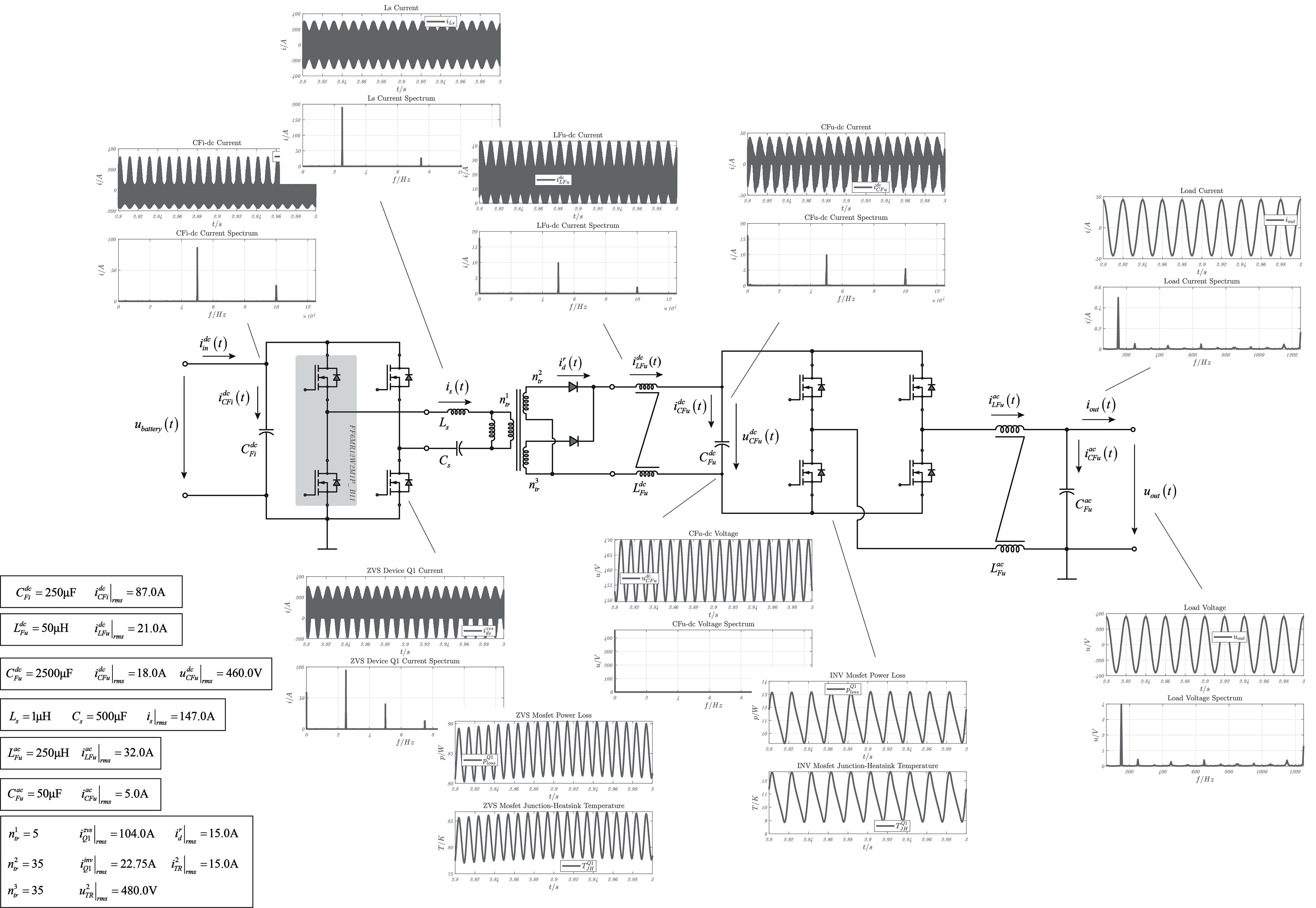
UPS 6kVA

Electrothermal simulation and control architecture; components selction.

You may also like

Three Phase DAB
2026
Flying Capacitor Multilevel
2026
CLLC DC/DC Converter
2026
DAB
2026
Solid State Transformers
2026
Single Phase Inverter
2026
↑Back to Top
Powered by Adobe Portfolio

Questo sito utilizza i cookie per garantire la migliore esperienza di navigazione. / This website uses cookies to ensure you get the best experience. Accept Decline