Home
Projects
Home
Projects
Power System Laboratory

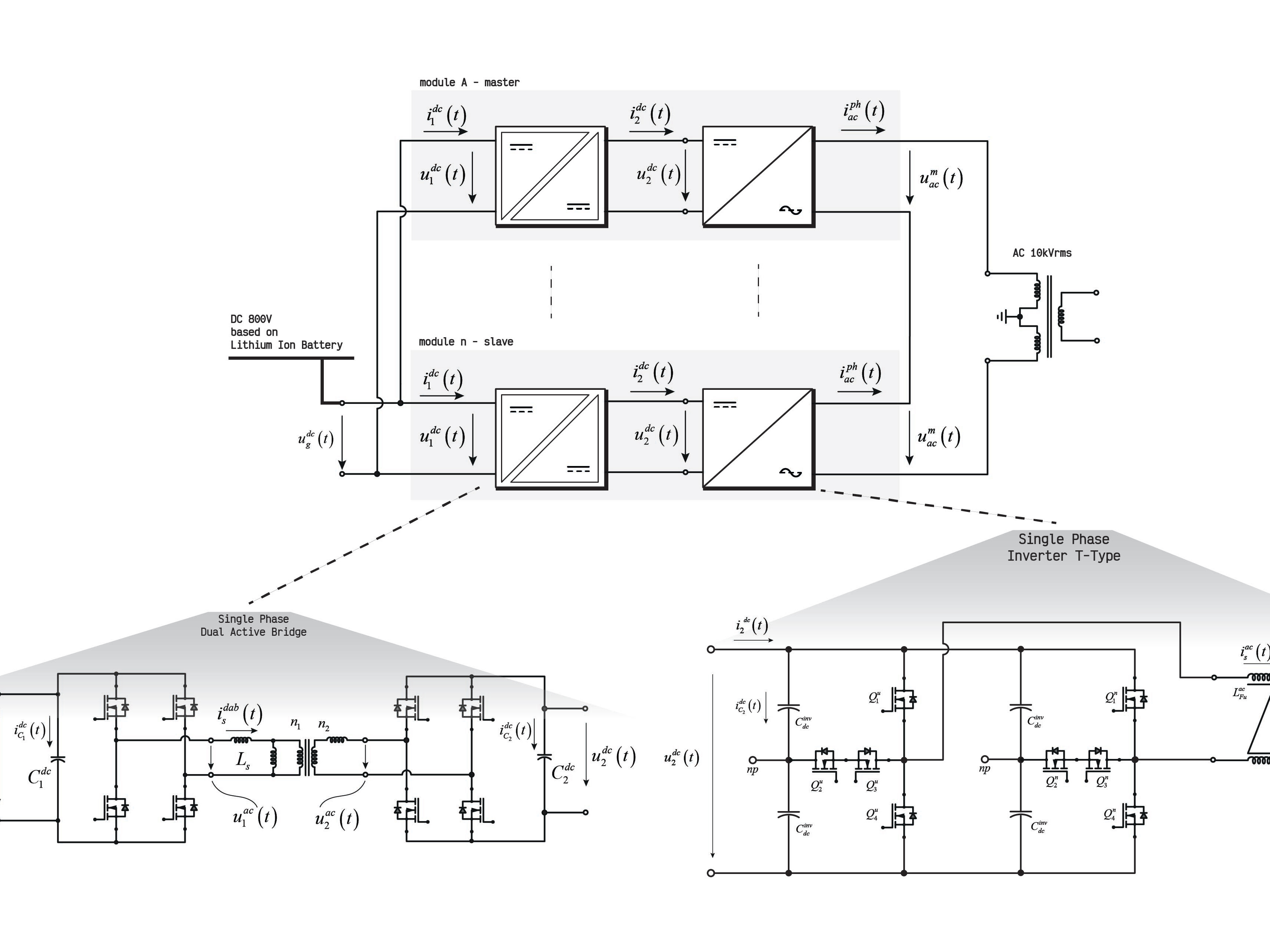
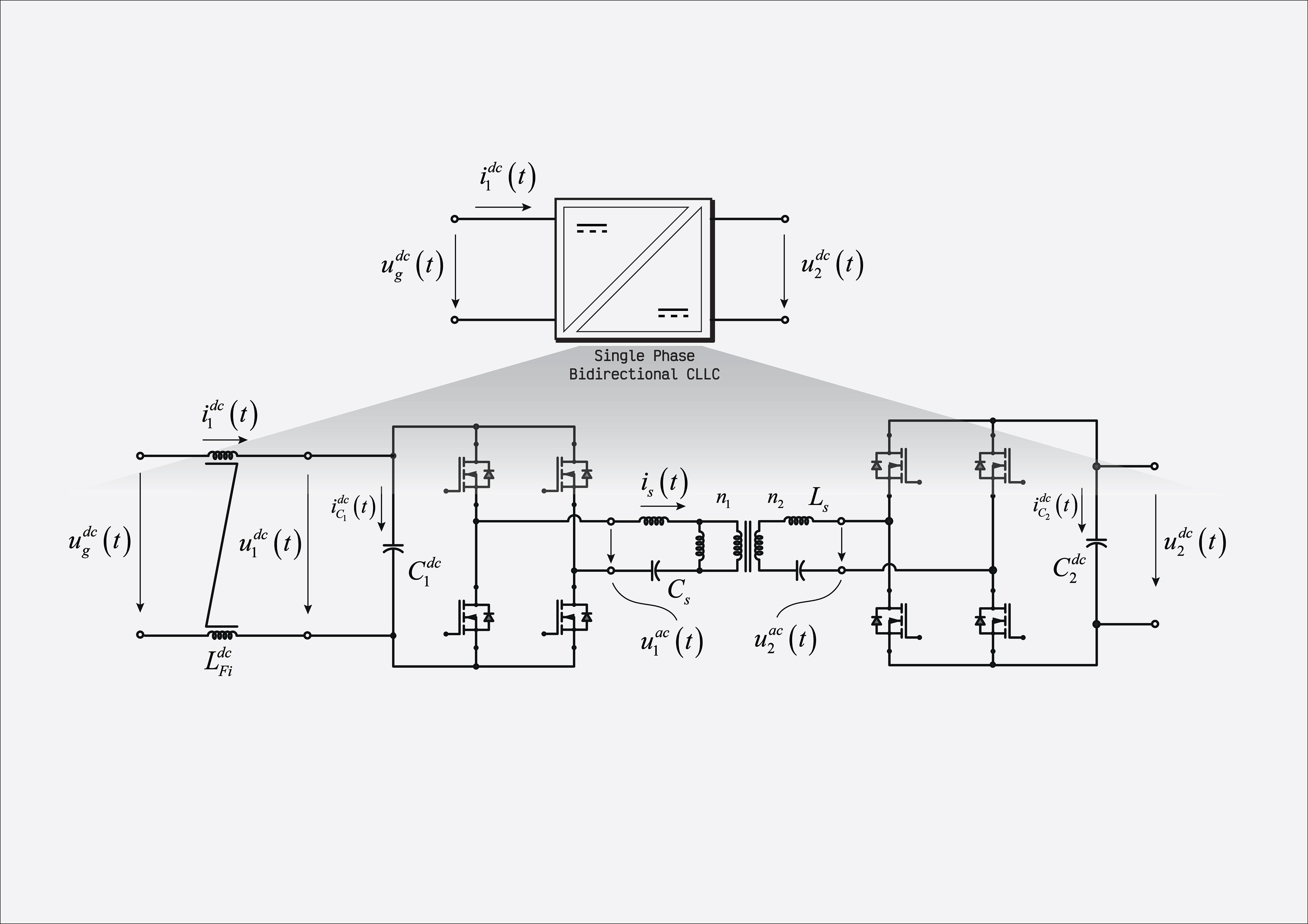
CLLC DC/DC Converter

You may also like

Single Phase Inverter
2026
Solid State Transformers
2026
↑Back to Top
Powered by Adobe Portfolio

Questo sito utilizza i cookie per garantire la migliore esperienza di navigazione. / This website uses cookies to ensure you get the best experience. Accept Decline