Solid State Transformers
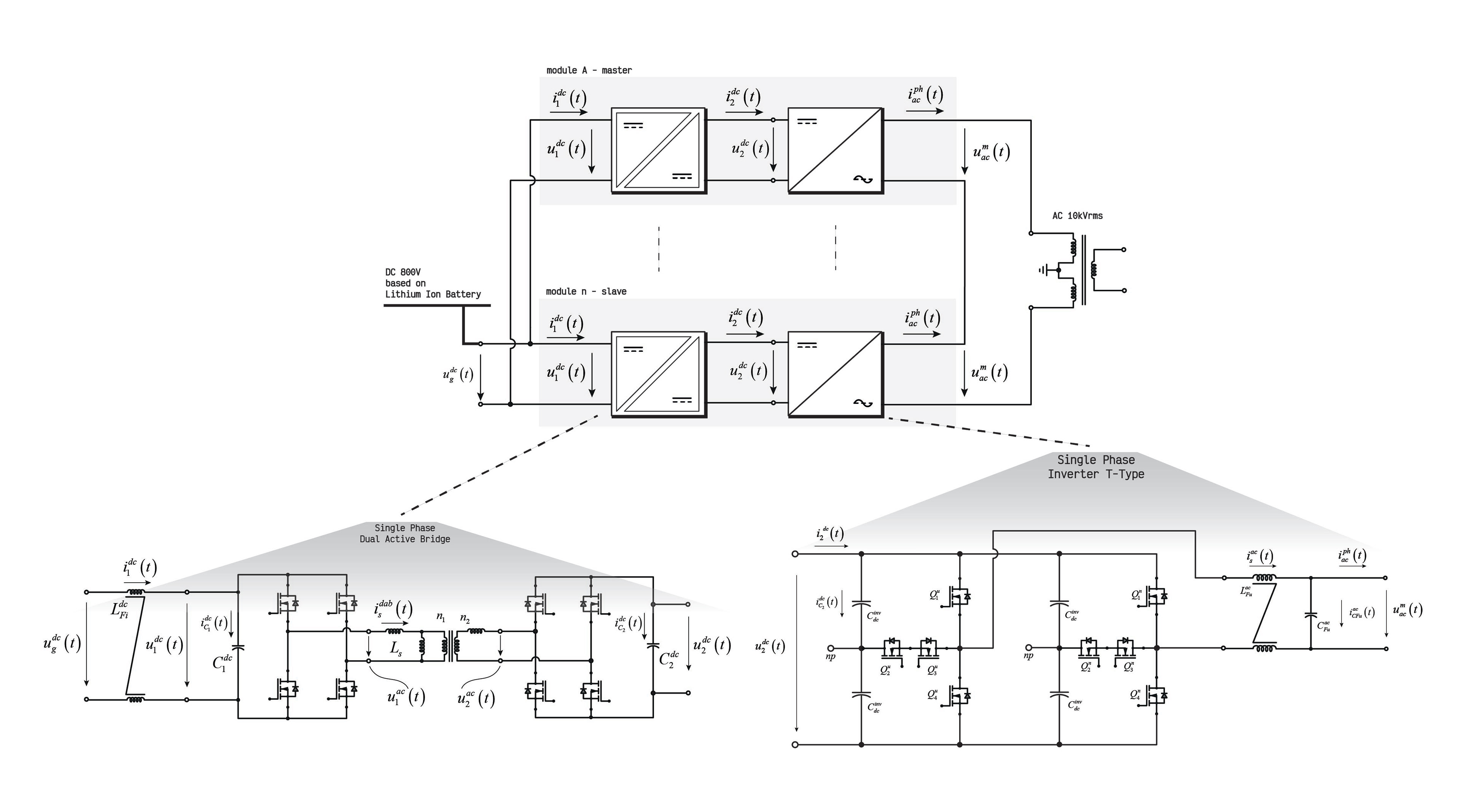
Analysis and design of solid state transformers architecture based on different isolated DC/DC converter and cascade of full bridge single phase T-type inverters.
Analysis and design of solid state transformers architecture based on different isolated DC/DC converter and cascade of full bridge single phase T-type inverters.