Home
Projects
Home
Projects
Power System Laboratory

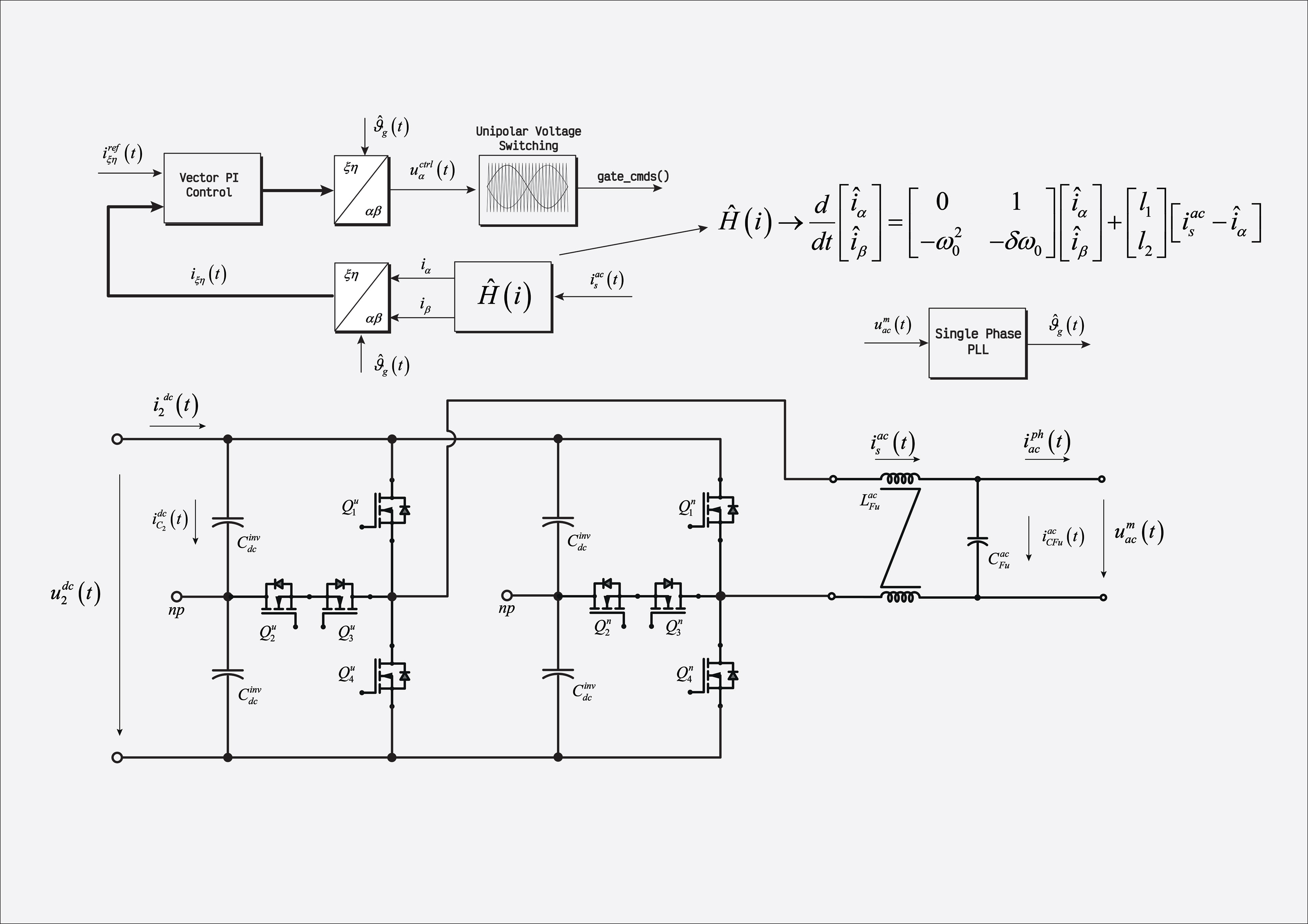
Single Phase Inverter

You may also like

CLLC DC/DC Converter
2026
Solid State Transformers
2026
↑Back to Top
Powered by Adobe Portfolio

Questo sito utilizza i cookie per garantire la migliore esperienza di navigazione. / This website uses cookies to ensure you get the best experience. Accept Decline